想起七八年前,眼未花手未抖時曾糊了個勞作,當年分享在車友論壇也自用。至今,它仍忠實的預警電瓶效能,讓獨自常跑荒郊野的我們,未曾再遇沒電刁車的囧況。挖出舊文.....也分享給有需要的芳鄰!
=====以下為當年舊文複貼=====
理想電壓源,其內阻趨近於0;隨負載可依歐姆定律:電位不變下;供給無窮的電流.
但,現實中卻不然,實務上使用的各類電壓源都是有限的,當超過其供給電流額限時,即拉低了電源電位;以平衡歐姆定律,此即負載效應(Loading Effect) 。
汽車內之電瓶亦然,縱使電解液比重正常、空載時電壓正常,但隨使用的長久;其極板間硫化程度;而使內阻漸升;換言之即儲放電效能衰退,而終致無法供給起動馬達足額的龐大電流,而告壽終!
傳統的電瓶效能(放電)測試,即是一咖大鐵箱(下圖左),內置有高功率的大負載,藉待測電瓶對負載放電時量測其電位降,以判斷其放電實力亦謂之效能!這種測試儀器缺點是笨拙,且因屬耗能測試,故時間不可過長(測試電流很大). 但不失是個簡單又可靠的方法!目前新穎的專業電瓶測試儀(下圖右),LCD液晶面板顯示:壽命、CCA、內阻…..看似好神, 實則它只是量測電瓶的內阻,得知內阻後,再藉由使用者輸入的電瓶規格,”推論”出CCA、壽命等數據!但這類儀器並非以開爾文四線連接,故內阻量測也不是非常準,且其它輸據又屬推論值,故參考就好,勿盡信之。

前陣子看到阿本仔這產品的動畫,覺的這點子真不錯!
藉啟動時,判讀起動馬達負荷下(如同電瓶放電測試機內負載)的電瓶電位降,來評估電瓶的壽命!這不就如同傳統的電瓶測試機一樣. 簡單卻又不失可靠!
雖然,電瓶有大有小,車款也百百種,但每顆電瓶的主要天命不就是侍奉自身車上啟動馬達的嗎!所以,這樣的評判條件,極具實用性.也適用於各大小不一的車款,而啟動時的耗能,又是必要之惡,藉此時機來判讀電瓶放電實力,真是巧思。
上面日文聽瞴??!!、看瞴??!!…….me too, 但單看圖也大致能意會其訴求的重點了.
抉取其要義,以下二圖說明之 (該圖轉載自南台科大)


上圖是電瓶上電壓,下圖是電瓶之輸出電流
標示1.處為啟動瞬間,因馬達處於靜止狀態.此時暫態電流最大;故電瓶電位被拉到最低!
標示2.處為馬達開始轉動且有了慣性;電流為馬達常態工作電流,但電流頗高,還是對電瓶產生電位降!
標示3.處為順利啟動後;此時電流為負值(發電機流入電瓶),因為發電機開始作動(電位高於電瓶),除了供給車上必要電力外,且對電瓶充電!
從這2張電流、電壓圖,我們也可算出這枚電瓶內阻=(12.4-10.4)/408=4.9mΩ
盡信書,不如無書!!
書上寫的,產品說的,老輸講的…..往往為了僝述理念,而將之理想化、簡易化、或極端化….
為取得確切的數據,眼見為憑.還是得要實況操作一下…..
從垃圾堆翻出台可裝電池,又有簡易儲存功能的示波器,便於擺置在車上
克難的開工胡搞了…

車體:2001年GV2.0 4X4(未更換過啟動馬達)
電瓶:GS 全密封式75D23(新品,距量測時使用未滿一個月)

標示A段: 電瓶在微負載下的輸出電位12.4V(KEY已在ON位置;故汽油幫浦等電器已作動,但對電瓶不是很大的負荷)
標示B點: 啟動的瞬間,馬達尚處靜置狀態;最大靜摩擦;此時暫態的耗電最劇,故電瓶電位被狂拉到9.2V
標示C段: 當馬達開始轉動;耗電流由最大的剛起動暫態直慢慢減低至正常運轉的常態值,電瓶電位也因負荷的減緩而斜斜的上昇中
標示D段: 當馬達正常且等速的運轉下,其常態的耗電流驅於恆定,這時對電瓶的負荷將電瓶電位拉到11.2V
標示E段: 順利啟動引擎後,發電機也隨之作動.此時發電機的產生電位13.6V高於電瓶,車上電系由發電機供電外,電瓶也是發電機的負載之一(充電中)
由時間軸來看,啟動至引擎運作約耗時1sec
有新品電瓶的啓動狀態,也要有老舊電瓶來對照一下
車體:同上。
電瓶:不知品牌密封式46B24(二手,但接手後已被我用了4年以上;於露營時使用)

標示A段: 電瓶在微負載下的輸出電位12V(KEY已在ON位置;故汽油幫浦等電器已作動,但對電瓶不是很大的負荷)
標示B點: 啟動的瞬間,很離譜的被拉至4V,已遠低於CCA測試規範中的最低7.2V
(NOTE: CCA為電瓶在氣溫0℉時;放電30sec,電位尚在7.2V時的最大電流)
標示C段: 很神奇的這頻死的電瓶竟也使馬達開始轉動;由這段上升的電位波形中,可知道它努力的喘了幾下,如果天冷,電瓶效率較差時;可能就沒這麼幸運了
標示D段: 當馬達正常且等速的運轉下,其常態的耗電流驅於恆定,這時馬達對電瓶的負荷下將電瓶電位拉到8V
標示E段: 順利啟動引擎後,發電機也隨之作動.此時發電機的產生電位14V
對照於新電瓶的13.6V有可能是引擎轉速、發電機效率…..但也有可能是因;此枚電瓶內阻較高;發電機的負荷較輕;故發電機電位得以升高些,所以行駛中車上電壓都正常的高,有時不見得是好事;而是警訊!
由時間軸來看,約耗時1.4X sec這枚瀕死的電瓶還是幸運的把車發動了
上述阿本仔P牌產品點子雖不錯,但產品規劃卻不合我的菜!(也無處可購得)
退休烙鐵匠只好自個兒糊ㄧ個玩玩,有了上述的親測數據,對於要怎麼搞就大概有了譜.
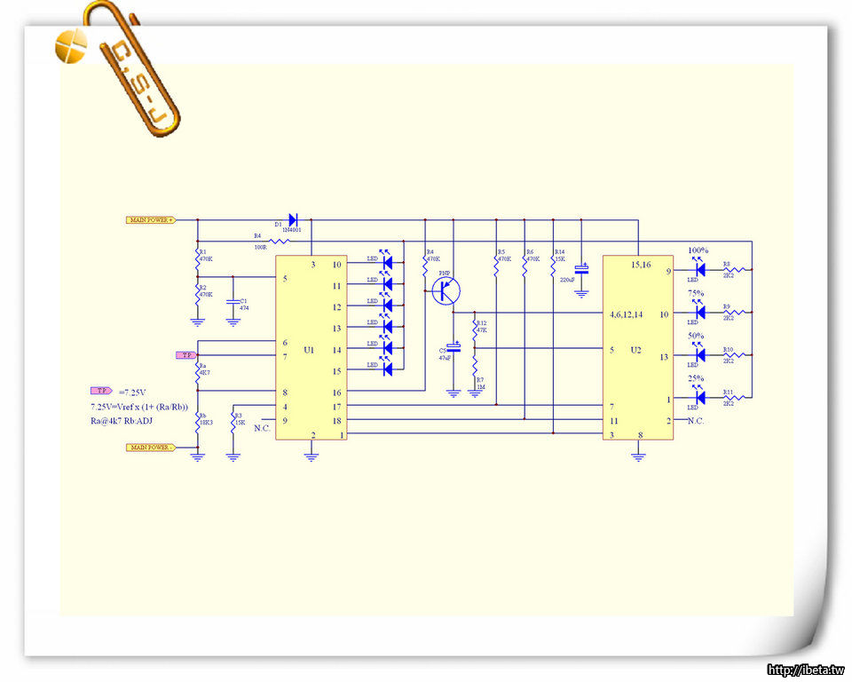
下圖,即是打算要糊出來的模樣、機能………

分成二個機能區塊顯示:
下層4節方型LED,顯示啟動瞬間,電瓶對起動馬達供電時的電位降,即表達電瓶的放電能力,亦可延訴為效能。每當啟動時,即作偵測與顯示,並將燈號LATCH顯示約15秒(每次啟動即更新判讀當下電瓶狀態;故無須亮着長顯)
上層6枚圓點LED,則常態顯示系統電力。未發動前為電瓶電壓,故電壓較低,在中線以左。啟動後,發電機作動,電壓較高,在中線以右。此燈號亦可顯示電瓶與發電機之狀況。
立論條件及功能設定既訂,剩下的就是把它糊出來.
撇開商業思維,電路~對退休的烙鐵匠是興趣也是種藝術,雖然可找顆俱A/D C的uP寫出來,但我的要求是…..極易至簡!每一顆零件不在於它的成本價值,而是它有否存在的必要
就這樣,少喝二罐台啤的費用,糊出這玩意兒!電路就不多做累述,看的懂的自行演析,看不懂的就照著糊吧!



有了靈魂,尚需軀殼來裝飾它…..30元給它造個窩吧!!
STEP1:
這東東應該各五金百貨行都買的到吧!!.....電話接線盒
30元…..考慮了好久!說實在的有點買不下手,本想ABS板溫習一下手模的技藝,但懶~懶~懶~30塊還是花了吧!

STEP2:
切~切~切~只取這一小部份!!不到整體的30%
這就是考慮30元買不下手的原因。

STEP3:
內部機構整建一下,用毒物MEK溶劑黏一黏
順便面板及背蓋也切削出來

STEP4:
這30元的電話接線盒真是絕配…..確實省下很多工!

STEP5:
調了一下漆,跟中控台的塑料顏色一致
塗裝,順便用噴塗的技法模擬塑料射出模具的咬花, 讓它跟中控台更一致!!

STEP6:
組合後…….與原樣30塊的電話接線盒;還有像嗎??!!


下面影片,是車上實際使用記錄。完全體現我構思的機能,亦忠實的為我解析電瓶狀態,與行駛時發電機對電瓶充電效能之監測。
